Return to the previous place

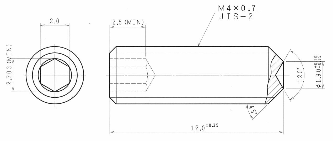
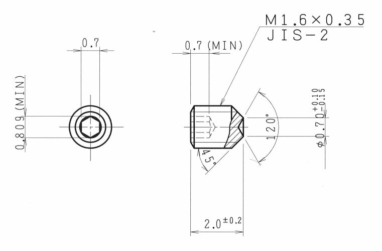
Cup Point
Cup Point Set Screw
Flat Point
Flat Point Set Screw
Cone Point
Cone Point Set Screw
CC Point
CCPoint Point Set Screw
Knurled Cup
Knurled Cup Point Set Screw
Cup Point
Cup Point Set Screw
Hexagon socket Cup Point set screws sizes chart
Opposite side distance of hexagon socket (S)
S=0.7mm S=0.7mm S=0.9mm S=1.3mm S=1.3mm S=1.5mm S=2.0mm S=2.5mm
Nominal Dia. 
 M1.6
 

 M1.7
 

 M2
 

 M2.5
 

 M2.6
 

 M3
 

 M4
 

 M5
 
length (mm)
2 M1.6x2 M1.7x2 M2x2 Cup point set screws in JIS standards click here
2.5 M1.6x2.5 M1.7x2.5 M2x2.5 M2.5x2.5 M2.6x2.5 M3x2.5
3 M1.6x3 M1.7x3 M2x3 M2.5x3 M2.6x3 M3x3 M4x3
4 M1.6x4 M1.7x4 M2x4 M2.5x4 M2.6x4 M3x4 M4x4 M5x4
5 M1.7x5 M2x5 M2.5x5 M2.6x5 M3x5 M4x5 M5x5
6 M2x6 M2.5x6 M2.6x6 M3x6 M4x6 M5x6
8 M2x8 M2.5x8 M2.6x8 M3x8 M4x8 M5x8
10 M2x10 M2.5x10 M2.6x10 M3x10 M4x10 M5x10
12 M3x12 M4x12 M5x12

  • Explaining size M1.6x2 in the table, M1.6 is the nominal diameter and x2 is 2mm in overall length.
  • You click a cell of size, a drawing of detailed dimensions is displayed.
    Please confirm the screw pitch, the tolerance of overall length, etc. in detailed drawing.
  • Click each Nominal diameter to display a list of "tip shapes" and "overall lengths" by its nominal diameter.
  • Click each length to display a list of "tip shapes" and "nominal diameters" by its overall length.
MOQ/SPQ ; 1,000/1,000 pcs
MOQ(Minimam Order Quantity)  SPQ(Standard Packing Quantity)

Generally, small diameter of the hexagon socket cup point set screws, if it is tightened strongly in the hexagonal bar spanner, hexagonal hole is cracked. But our hexagon socket cup point set screws is using the Ni-Cr-Mo Steel (SNCM240) to the material. And furthermore, the precision of the hexagonal hole is good. In addition, the hardness by the heat treatment is high (HRC50 - 53), there is also toughness.

broken test Therefore, the hexagonal hole is not broken even if you tighten it until you can wrench off a hexagonal bar spanner. At that time, when you move the magnet to the hexagonal hole, because it does not have a hexagonal hole deformed, broken hexagonal bar spanner is attracted to the magnet, it will be drawn from the hexagonal hole.

Our hexagon socket cup point set screw dries surface rust prevention oil with a vacuum hot-air drier after black oxide finish (surface treatment). Therefore, the hand of the assembling worker does not get oil at the time of work. In addition, this cup point set screws is easy to use in automated assembly, and it is hard to rust.