Return to the previous place

Overall length 3mm hexagon socket set screws sizes chart
Nominal diameter : M1.6, M1.7, M2, M2.5, M2.6, M3, M4
Material (Hardness) : Ni-Cr-Mo Steel (HRC50~53)
Overall length 3mm slotted set screws click here.
 2mm Length sizes chart, click here
 2.5mm Length sizes chart, click here
 3mm Length sizes chart
 4mm Length sizes chart, click here
 5mm Length sizes chart, click here
Tip Shape  Cup Point
Cup Point Set Screw
Flat Point
Flat Point Set Screw
Cone Point
Cone Point Set Screw
CC Point
CCPoint Point Set Screw
Knurled Cup
Knurled Cup Point Set Screw
Nominal diameter length (mm)
M1.6 3 M1.6x3 M1.6x3
M1.7 M1.7x3 M1.7x3
M2 M2x3 M2x3 M2x3 M2x3
M2.5 M2.5x3 M2.5x3 M2.5x3 (120) M2.5x3
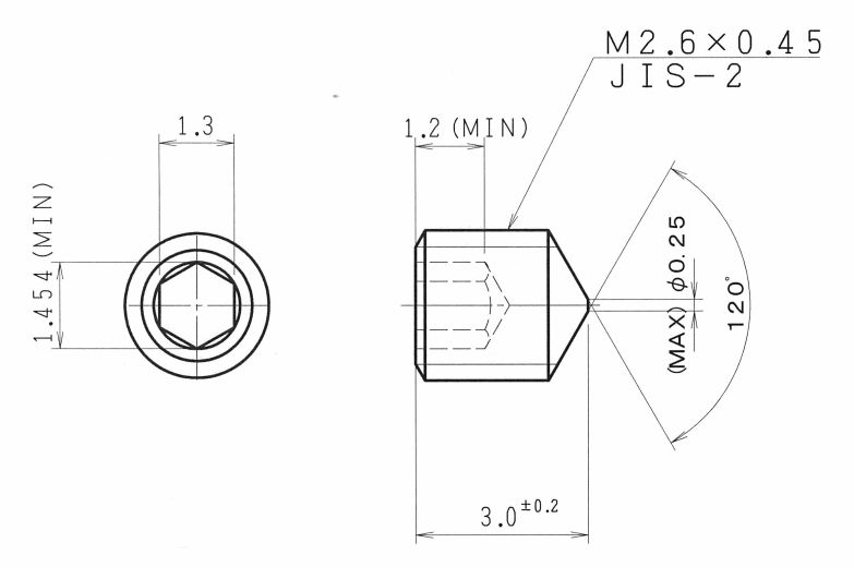
M2.6 M2.6x3 M2.6x3 M2.6x3 (120) M2.6x3
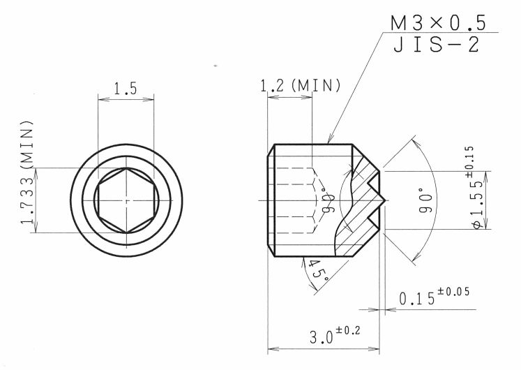
M3 M3x3 M3x3 M3x3 (120) M3x3 M3x3
M4 M4x3 M4x3

  • For example, M1.6x3 size is the nominal diameter M1.6, length 3 mm.
  • You click a cell of size, a drawing of detailed dimensions is displayed.
    Please confirm the screw pitch, the tolerance of overall length, etc. in detailed drawing.
  • Click each Tip shape to display a list of "nominal diameters" and "overall lengths" by its tip shape.
  • Click each Nominal diameter to display a list of "tip shapes" and "overall lengths" by its nominal diameter.
MOQ/SPQ ; 1,000/1,000 pcs
MOQ(Minimam Order Quantity)  SPQ(Standard Packing Quantity)

Generally, small diameter of the hexagon socket cup point set screws, if it is tightened strongly in the hexagonal bar spanner, hexagonal hole is cracked. But our hexagon socket cup point set screws is using the Ni-Cr-Mo Steel (SNCM240) to the material. And furthermore, the precision of the hexagonal hole is good. In addition, the hardness by the heat treatment is high (HRC50 - 53), there is also toughness.

broken test Therefore, the hexagonal hole is not broken even if you tighten it until you can wrench off a hexagonal bar spanner. At that time, when you move the magnet to the hexagonal hole, because it does not have a hexagonal hole deformed, broken hexagonal bar spanner is attracted to the magnet, it will be drawn from the hexagonal hole.

Our hexagon socket cup point set screw dries surface rust prevention oil with a vacuum hot-air drier after black oxide finish (surface treatment). Therefore, the hand of the assembling worker does not get oil at the time of work. In addition, this cup point set screws is easy to use in automated assembly, and it is hard to rust.